Facebook Pixel

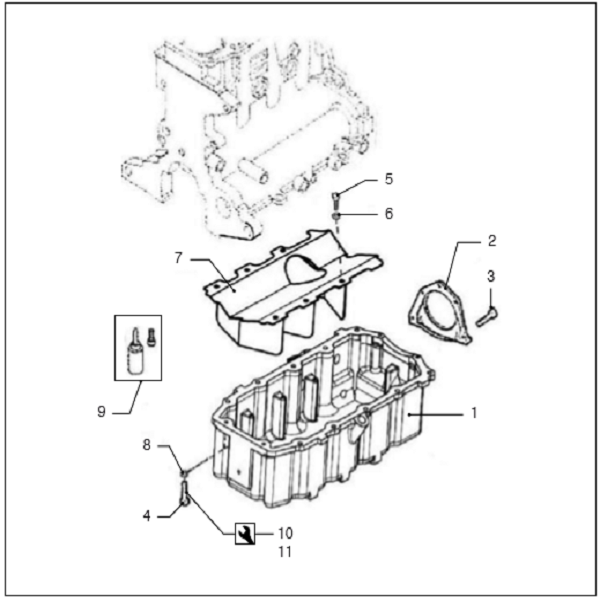
Oil sump and crankcase covers for VF4.140 & VF4.170

Gruppiert Produkte - Artikel
No. Item No. Produktname Preis Anzahl
8 VFP01057 Washer M8 - type VFP01057 Kaufen Sie jetzt und erhalten Sie es zwischen dem18.12.25 und dem 20.12.25
1,82 EUR
Mehr Informationen
Engine model F-Line
Group exploded view 2: Motor
Engine Type exploded view VF4
  • Close
    Wir können keine Produkte entsprechend dieser Auswahl finden